|
|
| 廠商Logo |
 |
| 廠商名稱(中文) |
安森美半導體 |
| 廠商名稱(英文) |
ON Semiconductor |
| 公司網址 |
www.onsemi.cn |
| 參與評選類別 |
最佳混合信號芯片 |
| 產品名稱 |
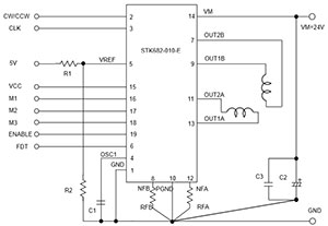
雙極超微步(1/128步)極低振動的步進電機驅動器 |
| 產品型號 |
STK682-010-E |
| 產品圖片 |
 |
| 參選公司簡介 |
安森美半導體(ON Semiconductor,美國納斯達克上市代號:ONNN)致力于推動高能效電子的創新,使客戶能夠減少全球的能源使用。公司全面的高能效電源和信號管理、邏輯、分立及定制方案陣容,幫助設計工程師解決他們在汽車、通信、計算機、消費電子、工業、LED照明、醫療、軍事/航空及電源應用的獨特設計挑戰。公司運營敏銳、可靠、世界一流的供應鏈及品質項目,及在北美、歐洲和亞太地區之關鍵市場運營包括制造廠、銷售辦事處及設計中心在內的業務網絡。更多信息請訪問http://www.onsemi.cn。 |
| 參選產品簡介 |
STK682-010-E是一款步進電機驅動器混合集成電路(HIC),內置精度可達1/128步的超微步控制器,基于雙極型恒流PWM系統。這器件提供內置4相分配步進電機控制器,配合簡化應用及標準化。典型應用包括 大尺寸打印機、保安攝像機、工業機器及舞臺照明系統等。
這器件的關鍵特性及優勢包括:
- 從滿步到1/128微步的超微步進電機驅動,在寬動態范圍內提供極低振動
- 內置電容器以抑制噪聲,減少外部元件數量及PCB面積
- 內置過熱關閉及過流保護,提供安全的電機驅動
- 帶復位及啟用引腳,簡化應用
|
|
|