探討低壓智能電動機保護器的工作原理及應用-安科瑞潘麗
摘要:為了防止電動機在使用過程中因過載、短路、斷相、過壓、欠壓、過熱而燒毀,就有必要對電動機的運行狀態進行及時準確的檢測,并對電動機進行相應的保護。本文分析了電動機的故障原因,并介紹了多功能智能化電動機保護器的構成與保護功能和應用。
0 引言
石油化工行業電機設備是大容量、高負荷的連續運轉,因而對其可靠性和穩定性要求高,一旦發生事故,馬上查找故障原因并及時消除,以保證及時恢復生產。為此,經過多年嘗試和反復實踐,終選擇了電動機智能保護器(簡稱為電機保護器),作為電動機的保護元件,下面就電動機的故障原因以及電機保護器的應用作以簡單介紹。
1 電動機的故障原因
電動機在運行中由于種種原因,會出現故障,故障分機械與電氣兩方面。
(1)機械方面有掃膛、振動、軸承過熱等故障
(2)電氣方面主要是電動機繞組過熱,超過額定值而燒毀在這里我們僅對電氣故障進行分析,造成繞組過熱的主要原因之一是流過繞組的電流過大,超過電動機的額定電流。
造成繞組過熱的主要原因之二:雖然流過繞組的電流不超過額定值,但由于電機通風不良或環境溫度過高,繞組的發熱不能及時散出,也能造成繞組溫度超過額定值而燒毀電機。
電機保護器的工作原理
電機保護器集過(輕)載保護、缺相、過(欠)壓、堵轉、漏電、接地及三相不平衡保護等低壓保護于一身,通常由電流傳感器、比較電路、單片機、或出口繼電器等幾部分組成。
系統保護功能
電機保護器可實現對電機的綜合保護,其具體功能有接地保護、斷相保護、短路保護、過(輕)負荷保護、不平衡過負荷保護、堵轉保護、低電壓和過電壓保護。當電機正常工作時,保護器通過面板上的液晶顯示屏,實時顯示電機的工作電流和電壓。具有通訊功能的電機保護器定時將采集的信號通過CAN總線傳至后臺微機。當故障發生時,保護器能自動地、迅速地反應并發出跳閘信號。
故障判斷與記憶功能
電機保護器對電動機進行檢測時,需正確判斷電動機正常、過載、短路、斷相、過壓、欠壓、過熱等工況并作相應的處理。當電動機出現某種故障時,保護器切斷電動機的電源而處于保護狀態,并且保存故障類型、時間以及電機運行參數。電機保護器通過識別與記憶電路對故障予以識別、記憶和指示,以便于維修。只有故障排除后,復位保護器,故障指示才消失,電動機才能再次啟動。
在線監測功能
帶有通訊功能的電機保護器使控制室操作人員可在后臺微機上,完成所有保護器的各種保護整定數據的調閱、修改和整定。同時,在線監測電機的運行負載和供電電源的質量,為及早發現過載和接地故障等創造了條件。此外,后臺微機強大的信息管理功能,可有效記錄各臺電機的型號、運行方式、和歷史維護記錄,為保證工藝系統的生產、減少事故停車,提供了可靠依據。
通過工程實例說明電機保護器的應用
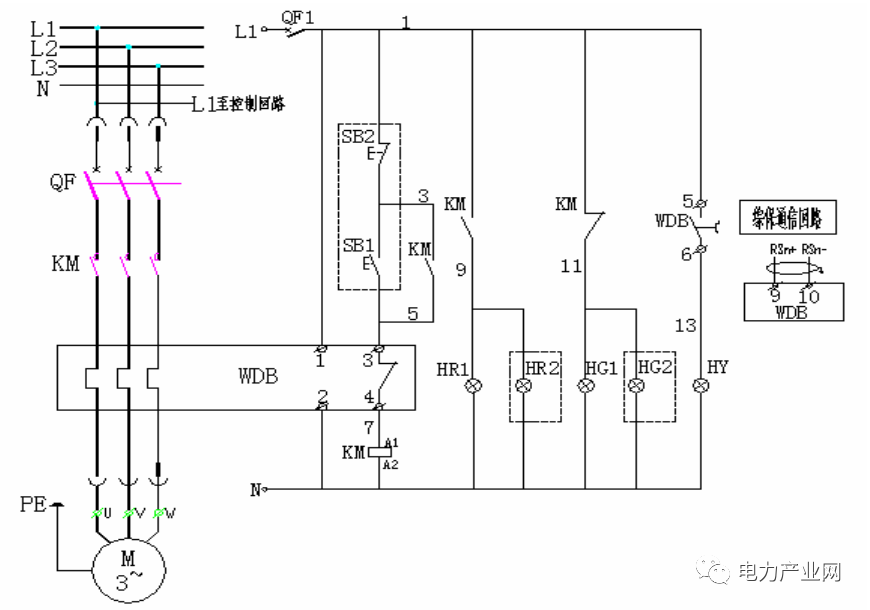
下面以WDB系列電機保護器為例,介紹一下電機保護器在我公司的工程應用情況。WDB一體式電機保護器在22KW基地后勤配電回路中的應用
圖1應用電機保護器的二次原理圖
其二次原理圖的工作過程:合上開關QF和微斷開關QF1,按下現場按鈕SB1,接觸器KM線圈帶電并通過其輔助接點自保持,接觸器觸點動作,主回路接通,同時柜上紅燈(HR1)和現場紅燈(HR2)發光,電機保護器顯示運行狀態,電動機啟動。如果電動機出現故障,電機保護器的保護接點(3、4)動作,使接觸器KM線圈失電,跳開接觸器觸點,同時柜上綠燈(HG1)和現場綠燈(HG2)發光,電機保護器的輸出故障接點(5、6)動作,發出故障報警信號,柜上故障燈(HY)也發光。電機保護器通過判斷與記憶,自保持并顯示故障狀態,并將電機保護器通訊接口(9、10)端子輸出的信號傳送到電氣控制室后臺計算機,直到運行人員查明故障后,在后臺計算機或電機保護器的面板上按復位鍵后機內的出口繼電器才可以復歸,為再次開車做好準備。
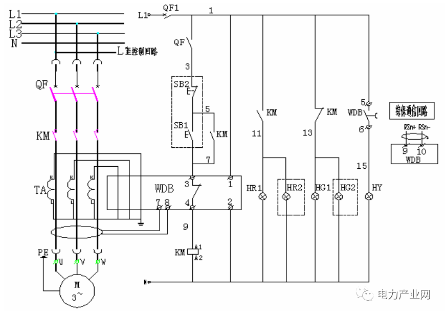
圖2運用電機保護器的二次原理圖
如圖2所示,7、8端子為保護器的輸出零序電流互感器接點,其他端子與圖1一樣。由于電動機功率很大,因此在主回路設置3個變比為5安倍的電流互感器,并把電流互感器的二次線穿過分體式電機保護器的電流互感器部分,然后通過通訊線把電流互感器部分與顯示面板相連。其電機保護器正常工作原理及標配故障處理與圖1一樣。不同之處是本圖用到的電機保護器具有零序漏電保護功能,帶有零序電流互感器,電動機主回路的一次電纜A,B,C三相,要同時穿過電機保護器的零序電流互感器,依據A,B,C三相電流之和等于零的原則來判斷零序漏電電流,繼而進行漏電保護。如果電動機出現漏電故障,電機保護器檢測到漏電電流很小,并且在漏電電流允許的范圍(≤30mA)內,電機保護器的輸出保護接點(3、4)不動作,但是電機保護器的顯示面板的故
結束語
(2)帶漏電保護功能的WDB分體式電機保護器在甲乙酮132KW臥式離心泵配電回路中的應用障指示燈閃爍,并將信號傳送到電氣控制室后臺計算機。電機保護器通過判斷與記憶,自保持并顯示故障狀態,直到運行人員查明漏電故障并消除后,在后臺計算機或電機保護器的面板上按復位鍵后機內的出口繼電器才可以復歸,電機保護器顯示運行。如果電動機出現漏電故障,并且超出漏電電流允許的范圍,電機保護器的輸出保護接點(3、4)動作,其原理與上圖1的故障處理原理一樣。
*博客內容為網友個人發布,僅代表博主個人觀點,如有侵權請聯系工作人員刪除。












