南瑞半導體公司多款車規級SIC MOS產品首次亮相!
內容概覽
Preview
4月23日,“新能源 芯時代” CIAS2024功率半導體新能源創新發展大會在蘇州獅山國際會議中心舉行,南瑞半導體公司攜多款功率半導體產品精彩亮相。在同期舉辦的CIAS2024金翎獎頒獎晚宴上,南瑞半導體以首位排名榮獲能源電子應用領域最具創新力產品獎。
公司介紹
Company Profile
南京南瑞半導體有限公司成立于2019年,總部位于江蘇省南京市,致力于功率半導體技術研究、產品研發、生產制造、市場推廣、技術服務等產業化發展,實現能源領域核心功率半導體器件自主可控,保障國家能源安全。公司匯聚了國內外一流的功率半導體研發及管理團隊,可提供從芯片 設計、流片工藝開發、封裝測試、器件應用到電力電子技術服務的全鏈條解決方案。產品已廣泛應用于高壓柔性輸電、電能質量治理、特種電源、工 業傳動、風力發電、光伏發電、新型儲能、制氫電源、充電設施和新能源汽車等領域。同時公司也是國家電網有限公司戰略新興產業培育重點單位、 首批入選國資委“科改示范”企業之一和國網功率半導體產業統一平臺。
焦點新聞
News
本次展會,南瑞半導體展出產品涵蓋光伏、儲能、充電樁、新能源汽車等多個應用場景,包括A3系列1200V/450A I型三電平IGBT模塊、1200V/13mΩ SiC MOS芯片、1200V/2mΩ車規級SiC MOS模塊。
A3系列IGBT模塊作為CIAS金翎獎“最具創新力產品獎”在展會現場獲得了觀眾的高度關注。A3系列1200V/450A I型三電平IGBT模塊適用于215kw及以上機型儲能變流器、光伏逆變器等應用,在提升產品性能的前提下極大提升儲能場景的經濟效益,更好滿足儲能產業不斷涌現的新市場需求。產品滿足1500V系統需求,滿足組串式PCS應用工況條件下額定效率≥98%,最大效率≥99%要求,同時滿足結溫要求;系統無需器件并聯,相當于3只Flow2或者2只Easy3B。模塊尺寸僅比Flow2增加60%,僅比Easy3B增加20%,四孔安裝,A3安裝可靠性比競品更牢靠,底面與散熱器接觸更緊密,長期使用更可靠;芯片滿足≥16kHz高頻開關特性,FRD滿額配置;模塊總損耗低,滿足2倍電流關斷能力;封裝上采用高導熱材料,降低熱阻,采用高性能覆銅陶瓷基板,高溫可靠性更好、抗熱震性優異。提升整體散熱能力;功率密度相較同行提升80%以上,擁有更節約的綜合使用成本。
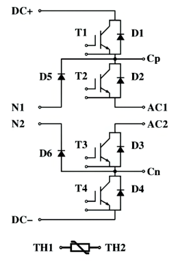
(南瑞半導體A3系列模塊)
(A3系列模塊拓撲)
本次展會中,南瑞半導體還針對純電或混動汽車、馬達驅動等應用場景首次展出了M1、D3封裝的1200V 2mΩ車規級SiC MOSFET模塊,D2封裝的750V/820A車規級IGBT模塊。南瑞半導體M1系列采用塑封半橋模塊封裝,充分發揮SiC MOSFET芯片的高耐溫、高頻率和高耐壓等優勢,芯片下方采用有壓型銀燒結,芯片正面配合 DTS 銀燒結+銅線鍵合、塑封轉模等關鍵技術,實現了更均勻的電流密度分布,更高的功率循環壽命,熱容熱阻和雜散電感等方面表現更好,相比傳統HPD模塊的雜散電感高達12 nH,而南瑞半導體M1系列半橋模塊僅為3-4 nH,相較之下雜散電感下降了75%左右,可靠性更佳。
產品介紹
Product introduction
(南瑞半導體車規級模塊M1)
(車規級模塊M1拓撲)
M1系列模塊特性:
1. 第三代寬禁帶半導體-SiC;
2. 采用單面水冷+塑封工藝,最高工作結溫175℃;
3. 高性能 Si3N4 AMB 基板;
4. 雜散電感低,功率密度高,適用高溫、高頻應用,超低損耗;
5. 集成NTC溫度傳感器,易于系統集成。
(南瑞半導體車規系列模塊D3:NCM02F12D3A )
(車規系列模塊D3:NCM02F12D3A拓撲)
D3:NCM02F12D3A產品特性:
1. 第三代寬禁帶半導體 - 碳化硅;
2. 低漏-源通態電阻;
3. 低開關損耗;
4. 銀燒結工藝。
(南瑞半導體車規系列模塊D2:NI820F08D2A)
(車規系列模塊D2:NI820F08D2A)
D2:NI820F08D2A產品特性:
1.高密度功率;
2.低飽和壓降;
3.低開關損耗;
4.低電感設計。
主營業務
Introduction to Main Business
1.芯片業務
IGBT/FRD芯片設計及供應
(6500V/4500V/3300V/1700V/1200V/750V/650V)
SiC MOSFET/SBD芯片設計及供應
(3300V/1700V/1200V)
2.分立器件業務
IGBT/FRD分立器件設計及供應
(3300V/1700V/1200V/750V/650V)
SiC MOSFET/SBD分立器件設計及供應
(3300V/1700V/1200V)
3.工業級模塊業務
工業級IGBT/FRD模塊設計及供應
(6500V/4500V/3300V/1700V/1200V/650V)
工業級SiC MOSFET模塊設計及供應
(3300V/1700V/1200V)
4.車規級模塊業務
車規級IGBT模塊設計及供應
(1700V/1200V/750V/650V)
車規級SiC MOSFET模塊設計及供應
(1700V/1200V)
5.平臺服務
IGBT/FRD/SiC模塊封裝測試業務
(6500V/4500V/3300V/1700V/1200V/650V)
功率半導體器件檢測業務
性能測試、可靠性測試、失效分析測試、應用測試, 可提供產品及器件缺陷分析、專業技術人員培訓、 產品標準和方法標準制訂等項目服務。
定制化開發
從應用需求及可靠性出發,針對具體場景對產品進行優化設計,功率半導體器件熱仿真業務,匹配客戶整體方案。
聯系方式
周經理:18115130736
沈經理:18068841299
*博客內容為網友個人發布,僅代表博主個人觀點,如有侵權請聯系工作人員刪除。

