英飛凌電流傳感器芯片TLE4973 介紹
TLE4973
TLE4973是英飛凌在前兩代電流傳感器TLE4971和TLE4972基礎上推出的新一代產品,該芯片是業內首款滿足ASIL B功能安全的電流傳感器芯片,同時其全新的封裝設計體現了英飛凌在半導體技術領域的持續創新能力和顛覆傳統的開拓精神。在上一篇文章《業內首發ASIL B等級、低阻抗小封裝電流傳感器芯片TLE4973》中我們重點介紹了TLE4973針對OBC/輔驅/EDC等應用的集成導體式類別(TLE4973- Axxx,TLE4973- Rxxx),本文將著重介紹針對主驅等應用的外置導體式TLE4973- xE35xx類別。
01
多種封裝形式
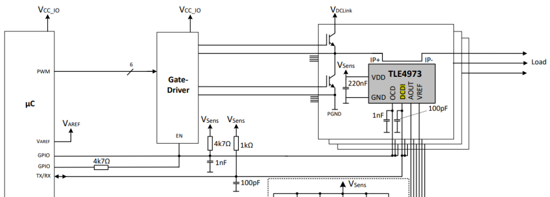
TLE4973利用片內的差分霍爾來感知芯片外電流產生的磁場實現測量電流的目的。
其中集成導體式產品(PG-TISON-8封裝)電流流經芯片內部,優點是整個傳感器在封裝完成之后進行調校,所以精度較高,但是受制于內部導體的阻抗,所以可測電流有效值一般低于100A。英飛凌該封裝的產品達到了0.22mΩ的導通阻抗,處于業內領先水平。前文曾有更為詳細的對比。
外置導體的優勢是待測電流不流經芯片本體,因此不會在芯片內造成熱累積,所以可測電流范圍可以達到2KA以上,相較于使用磁芯進行聚磁的電流傳感器模塊來說,這種方案在成本和體積上都更有優勢,目前正受到越來越多的用戶青睞。TLE4973- xE35主要采用PG-VSON-6和PG-TDSO-16兩種封裝。PG-VSON-6因為體積較小,更適合于銅排載流的場合,PG-TDSO-16則推薦應用于PCB載流。
TLE4973目前一共使用到的3種封裝形式總結如下圖:
02
數字通訊功能帶來的
全方位優勢
單總線通過DCDI口實現對多個芯片進行
自動尋址和功能配置
獨特的單總線數字通訊功能使MCU可實現對板上最多8個TLE4973的自動尋址和通訊,即占用最少的MCU資源實現功能的最大化,通過數字通訊可實現的功能包括:
靈敏度配置功能:
用戶僅需采用一個型號即可以粗調實現下面9種靈敏度,之后可以再在粗調基礎上再實現±15%的靈敏度精調,從而減少用戶管理的型號種類。
輸出模式配置功能:
TLE4973后綴為S0001的產品可以配置為單端輸出、半差分輸出、全差分輸出模式,采用差分輸出模式在輸出信號PCB走線較長時可提高抗干擾能力,同時可提高測量精度。
單端輸出模式
半差分輸出模式
全差分輸出模式
向下滑動查看
1
芯片溫度實時獲取
2
過流閾值點設置,過流反應時間設置,過流消抖時間設置
3
比例輸出Radiometric功能配置
4
診斷功能:對主模擬路徑(靈敏度)自檢和OCD模擬路徑自檢。
通過發送指令給芯片,芯片的模擬輸出會輸出指定值,用戶采樣該值進行驗證。OCD功能自檢用于檢驗內部過流檢測比較器是否正常。
另外,需要著重說明一下,DCDI可兼容5v/3.3v供電的MCU,因DCDI內部為OPEN DRAIN結構,因此可以將其信號上拉至MCU電平,從而實現TLE4973--->MCU方向信號的兼容;而對于DCDI的接收信號,大于1.6v視為高電平,低于1v視為低電平,因此無論是5v還是3.3v供電的MCU,其輸出信號均能被TLE4973識別,從而實現MCU--->TLE4973的方向信號傳輸。
03
兩類應用方案
方案一,用戶可根據我司官網提供的仿真工具設計銅排或多層PCB。
簡單來說平面S-Bend方案相較于平面Straight方案的阻抗上升大,但是crosstalk(相間互擾)較小;相較平面方案,垂直安裝方案對芯片相對位置變化敏感性更低。具體可在我司官網進行相關誤差評估。
平面S-Bend方案
平面Straight方案
垂直安裝方案
向下滑動查看
方案二,使用英飛凌 HybridPACK? Drive G2 模塊的場合。
該模塊使用了英飛凌的下一代芯片技術 EDT3(SI IGBT)和 CoolSiC? G2 MOSFET ,實現在 750 V 和1200 V 電壓等級內達到 300 kW 的功率。其PIN腳的銅排在結構上進行了優化,可方便地嵌入內置TLE4973-xE35芯片的Swoboda電流傳感器模塊,覆蓋從500A -2500A 量程的所有測量需求。用戶僅需要對該模塊進行配置后即可使用,無需進行結構設計和仿真。
Swoboda模塊的頻率響應圖如下,可知帶寬達到100Khz以上,因此可完全覆蓋電驅應用所需的采樣頻率。
04
相關評估板及軟件
TLE4973根據不同封裝目前可以提供5款評估板,具體介紹如下表:
以上評估板可以使用相關編程板進行編程和調試,該編程板也可以對用戶自行設計的板上的TLE4973進行編程。
利用與編程板配套的軟件可以方便地對片內的EEPROM或寄存器進行訪問,也可以實現數據記錄儀的功能,對溫升、電流等進行多點采集記錄,進而進行評估相關系統指標。
EEPROM mapping
溫度曲線讀取
向下滑動查看
如上所述,TLE4973芯片凝聚了英飛凌的創新思維和匠心設計,覆蓋了各種應用場景,為用戶提供了多種解決方案,同時配套有相關仿真軟件和開發工具以方便用戶使用。TLE4973是電流傳感器數字化的先行者,為電力電子設備未來更加小型化,智能化貢獻了力量。

歡迎關注微信公眾號
英飛凌汽車電子生態圈
*博客內容為網友個人發布,僅代表博主個人觀點,如有侵權請聯系工作人員刪除。






