PCB布線注意事項
1. 布線優先次序
關鍵信號線優先:電源、摸擬小信號、高速信號、時鐘信號和同步信號等關
鍵信號優先布線。
密度優先原則:從單板上連接關系最復雜的器件著手布線。從單板上連線最密集的區域開始布線。
2. 自動布線
在布線質量滿足設計要求的情況下,可使用自動布線器以提高工作效率,在
自動布線前應完成以下準備工作:
自動布線控制文件(do file)為了更好地控制布線質量,一般在運行前要詳細定義布線規則,這些規則可以在軟件的圖形界面內進行定義,但軟件提供了更好的控制方法,即針對設計情況,寫出自動布線控制文件(do file),軟件在該文件控制下運行。
3.盡量為時鐘信號、高頻信號、敏感信號等關鍵信號提供專門的布線層,并保證其最小的回路面積。必要時應采取手工優先布線、 屏蔽和加大安全間距等方法。保證信號質量。
4. 電源層和地層之間的 EMC 環境較差,應避免布置對干擾敏感的信號。
5. 有阻抗控制要求的網絡應布置在阻抗控制層上。
6. 進行 PCB 設計時應該遵循的規則
1) 地線回路規則:
環路最小規則,即信號線與其回路構成的環面積要盡可能小,環面積越小,
對外的輻射越少,接收外界的干擾也越小。針對這一規則,在地平面分割時,要考慮到地平面與重要信號走線的分布,防止由于地平面開槽等帶來的問題;在雙層板設計中, 在為電源留下足夠空間的情況下, 應該將留下的部分用參考地填充,且增加一些必要的孔,將雙面地信號有效連接起來,對一些關鍵信號盡量采用地線隔離,對一些頻率較高的設計,需特別考慮其地平面信號回路問題,建議采用多層板為宜。
2) 串擾控制:
串擾 (CrossTalk)是指 PCB 上不同網絡之間因較長的平行布線引起的相互干擾, 主要是由于平行線間的分布電容和分布電感的作用。 克服串擾的主要措施是:
加大平行布線的間距,遵循 3W 規則。
在平行線間插入接地的隔離線。
減小布線層與地平面的距離。
3) 屏蔽保護
對應地線回路規則,實際上也是為了盡量減小信號的回路面積,多見于一些
比較重要的信號, 如時鐘信號, 同步信號; 對一些特別重要, 頻率特別高的信號,應該考慮采用銅軸電纜屏蔽結構設計,即將所布的線上下左右用地線隔離,而且還要考慮好如何有效的讓屏蔽地與實際地平面有效結合。
4) 走線的方向控制規則:
即相鄰層的走線方向成正交結構。 避免將不同的信號線在相鄰層走成同一方
向,以減少不必要的層間竄擾;當由于板結構限制(如某些背板)難以避免出現該情況,特別是信號速率較高時,應考慮用地平面隔離各布線層,用地信號線隔離各信號線。

5) 走線的開環檢查規則:
一般不允許出現一端浮空的布線(Dangling Line),主要是為了避免產生"天線效應",減少不必要的干擾輻射和接受,否則可能帶來不可預知的結果。

6) 阻抗匹配檢查規則:
同一網絡的布線寬度應保持一致,線寬的變化會造成線路特性阻抗的不均勻,當傳輸的速度較高時會產生反射,在設計中應該盡量避免這種情況。在某些條件下,如接插件引出線,BGA 封裝的引出線類似的結構時,可能無法避免線
寬的變化,應該盡量減少中間不一致部分的有效長度。
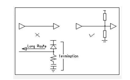
7) 走線終結網絡規則:
在高速數字電路中, 當 PCB 布線的延遲時間大于信號上升時間 (或下降時間)的 1/4 時,該布線即可以看成傳輸線,為了保證信號的輸入和輸出阻抗與傳輸線的阻抗正確匹配,可以采用多種形式的匹配方法,所選擇的匹配方法與網絡的連接方式和布線的拓樸結構有關。
A. 對于點對點(一個輸出對應一個輸入)連接,可以選擇始端串聯匹配或終端
并聯匹配。前者結構簡單,成本低,但延遲較大。后者匹配效果好,但結構復雜,成本較高。
B. 對于點對多點(一個輸出對應多個輸出)連接,當網絡的拓樸結構為菊花鏈
時,應選擇終端并聯匹配。當網絡為星型結構時,可以參考點對點結構。
星形和菊花鏈為兩種基本的拓撲結構, 其他結構可看成基本結構的變形, 可采
取一些靈活措施進行匹配。在實際操作中要兼顧成本、功耗和性能等因素,一般不追求完全匹配,只要將失配引起的反射等干擾限制在可接受的范圍即可。

8) 走線閉環檢查規則:
防止信號線在不同層間形成自環。在多層板設計中容易發生此類問題,自環
將引起輻射干擾。

9) 走線的分枝長度控制規則:
盡量控制分枝的長度,一般的要求是 Tdelay

10) 走線的諧振規則:
主要針對高頻信號設計而言,即布線長度不得與其波長成整數倍關系,以免
產生諧振現象。

11) 走線長度控制規則:
即短線規則,在設計時應該盡量讓布線長度盡量短,以減少由于走線過長帶
來的干擾問題,特別是一些重要信號線,如時鐘線,務必將其振蕩器放在離器件很近的地方。對驅動多個器件的情況,應根據具體情況決定采用何種網絡拓撲結構。

12) 倒角規則:
PCB 設計中應避免產生銳角和直角,以免產生不必要的輻射,同時工藝性能
也不好。

13) 器件去耦規則:
A. 在印制版上增加必要的去耦電容,濾除電源上的干擾信號,使電源信號穩定。在多層板中,對去藕電容的位置一般要求不太高,但對雙層板,去耦電容的布局及電源的布線方式將直接影響到整個系統的穩定性,有時甚至關系到設計的成敗。


B. 在雙層板設計中,一般應該使電流先經過濾波電容濾波再供器件使用,同時
還要充分考慮到由于器件產生的電源噪聲對下游的器件的影響,一般來說,采用總線結構設計比較好,在設計時,還要考慮到由于傳輸距離過長而帶來的電壓跌落給器件造成的影響,必要時增加一些電源濾波環路,避免產生電位差。
C. 在高速電路設計中,能否正確地使用去耦電容,關系到整個板的穩定性。
14) 器件布局分區/分層規則:
A. 主要是為了防止不同工作頻率的模塊之間的互相干擾,同時盡量縮短高頻部
分的布線長度。通常將高頻的部分布設在接口部分以減少布線長度,當然,這樣的布局仍然要考慮到低頻信號可能受到的干擾。同時還要考慮到高/低頻部分地平面的分割問題,通常采用將二者的地分割,再在接口處單點相接。
B. 對混合電路,也有將模擬與數字電路分別布置在印制板的兩面,分別使用不
同的層布線,中間用地層隔離的方式。

15) 孤立銅區控制規則:
孤立銅區的出現,將帶來一些不可預知的問題,因此將孤立銅區與別的信號
相接,有助于改善信號質量,通常是將孤立銅區接地或刪除。在實際的制作中,PCB 廠家將一些板的空置部分增加了一些銅箔,這主要是為了方便印制板加工,同時對防止印制板翹曲也有一定的作用。

孤立銅區的出現,將帶來一些不可預知的問題,因此將孤立銅區與別的信號相接,有助于改善信號質量,

通常是將孤立銅區接地或刪除。在實際的制作中,PCB廠家將一些板的空置部分增加了一些銅箔,這主要是為了方便印制板加工,同時對防止印制板翹曲也有一定的作用。
16) 電源與地線層的完整性規則:
對于導通孔密集的區域,要注意避免孔在電源和地層的挖空區域相互連接,
形成對平面層的分割,從而破壞平面層的完整性,并進而導致信號線在地層的回路面積增大。
17) 重疊電源與地線層規則:
不同電源層在空間上要避免重疊。主要是為了減少不同電源之間的干擾,特別是一些電壓相差很大的電源之間,電源平面的重疊問題一定要設法避免,難以避免時可考慮中間隔地層。
18) 3W 規則:
為了減少線間串擾, 應保證線間距足夠大, 當線中心間距不少于 3 倍線寬時,
則可保持 70%的電場不互相干擾, 稱為 3W 規則。 如要達到 98%的電場不互相干擾,可使用 10W 的間距。

19) 20H 規則:
由于電源層與地層之間的電場是變化的,在板的邊緣會向外輻射電磁干擾。
稱為邊沿效應。 解決的辦法是將電源層內縮, 使得電場只在接地層的范圍內傳導。以一個 H(電源和地之間的介質厚度)為單位,若內縮 20H 則可以將 70%的電場限制在接地層邊沿內;內縮 100H 則可以將 98%的電場限制在內。

20) 五、五規則:
印制板層數選擇規則,即時鐘頻率到 5MHz 或脈沖上升時間小于 5ns,則 PCB
板須采用多層板,這是一般的規則,有的時候出于成本等因素的考慮,采用雙層板結構時,這種情況下,最好將印制板的一面做為一個完整的地平面層。





評論